Twist S1 Max

Acumulador de 1 serpentín sobredimensionado para producción de ACS

Acumulador de 1 serpentín sobredimensionado para producción de agua caliente sanitaria con cuerpo en acero al carbono con tratamiento interno vitrificado anticorrosivo Dryglass. Está disponible en 6 modelos de 374 a 1.900 litros de capacidad. De serie incluye protección catódica y registro para inspección y limpieza.

Especialmente recomendado para instalaciones con bomba de calor.

95 °C

Temperatura máx. de trabajo

13 m2
Serpentín sobredimensionado hasta
1.900l

Acumulación hasta

DATOS TECNICOS

Capacidad sanitario l 470
Superficie de intercambio del serpentín m2 6
Contenido de agua serpentín l 51,5
Potencia absorbida por el primario 60/50°C kW 31
Caudal nominal serpentín primario 60/50°C m3/h 2,7
Pérdida de carga primario 60/50°C mbar 31
Potencia absorbida por el primario 80/60°C kW 156
Caudal nominal serpentín primario 80/60°C m3/h 6,7
Pérdida de carga primario 80/60°C mbar 197
Temperatura max de trabajo °C 95
Presión max de trabajo ACS bar 10
Presión max de trabajo serpentín bar 10
Pérdidas de calor W 112
Clase de eficiencia energética C

Prestaciones Agua Caliente Sanitaria

Condiciones de funcionamiento: Primario T = 80-60°C - Entrada Agua Fria T = 10°C
Caudal punta a 40°C primeros 10 minutos l/10’ 997
Caudal punta a 40°C primera hora l/60’ 4255
Caudal en continuo 40°C l/h 3800
Condiciones de funcionamiento: Primario T = 60-50°C - Entrada Agua Fria T = 10°C
Caudal punta a 40°C primeros 10 minutos l/10’ 642
Caudal punta a 40°C primera hora l/60’ 1289
Caudal en continuo 40°C l/h 800

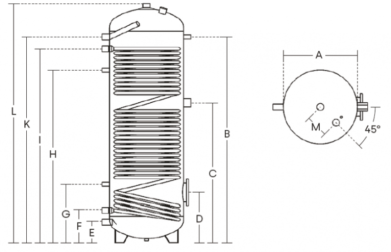
DIMENSIONES

A mm 650
B mm 1425
C mm 970
D mm 370
E mm 185
F mm 265
G mm 425
H mm 1170
I mm 1325
J mm -
K mm 1415
L mm 1705
M mm 150
N mm -
Altura total con aislamiento mm 1705
Altura máxima en elevación mm 1900
Diámetro acumulador con aislamiento Ø mm 750
Brida Ø mm 180/120
Peso en vacío kg 175

CONEXIONES

Salida de agua caliente pulgadas 1
Ánodo pulgadas 1 ¼
Termómetro/Sonda pulgadas 1/2
Resistencia eléctrica pulgadas 1 ½
Conexión bancada (ciega) pulgadas 1 ½
Entrada agua fría pulgadas 1
Retorno serpentín pulgadas 1 ¼
Termostato pulgadas 1/2
Salida serpentín pulgadas 1 ¼
Recirculación pulgadas 1/2
Salida superior agua caliente pulgadas 1 ¼
Twist S1 Max Tw S1 500 Max

Manuales técnicos (1)

Certificaciones (1)

Tratamiento Dryglass

El tratamiento interno de vitrificado Dryglass se realiza según la norma DIN 4753-3 y UNE 10025 y se obtiene mediante la aplicación de un esmalte resistente al agua y al vapor.

Tras la cocción en horno a 850 °C, el esmalte no absorbe agua y no conduce iones, haciendo que el vitrificado proteja la estructura del acumulador al 99,9%. El restante 0,1% (debido a eventuales puntos expuestos) se elimina insertando en el interior un ánodo de magnesio o un ánodo electrónico de titanio que protegen de la corrosión.

Principales características

  • Acumulación en acero vitrificado “Dryglass” para ACS
  • Elevada resistencia a altas temperaturas: hasta 95 °C
  • Equipados de serie con brida de inspección
  • Protección catódica de serie, ánodo de sacrificio hasta Twist S1 500 Max y ánodo electrónico en resto de modelos
  • Elevada superficie de intercambio del serpentín
  • Conexión para resistencia eléctrica suplementaria

Cookies

Nosotros (AIC Europe B.V.) queremos instalar cookies en su aparato a fin de mejorar nuestra web (basándonos en informes y estadísticas de cómo usa nuestra página), además de mejorar nuestras actividades de márketing y la estrategia virtual del grupo AIC (basándonos en observaciones de sus visitas a nuestra página web y cómo la usa). Las cookies que usamos son las nuestras o las suministradas por Google LLC, de EEUU.

Acepta Ud. lo descrito arriba?

Para más detalles, véase: Política de cookies, Aviso legal y Política de privacidad